

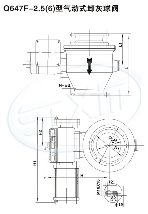
結構特點及用途:
Q647F-2.5(6)型氣動式卸灰球閥用氣動裝置通過機械執行機構驅動球閥實現啟閉。球閥的啟閉位置由指示器來指示,還可以通過行程開關進行信號顯示。本閥可單臺遠距離控制,也可以多臺集中遠控,還可以將電信號輸入計算機進行程序控制。非正常情況下可以手動操作。此類閥門采用一只φ250的氣缸驅動,要求氣源壓力>0.4MPa。如氣源壓力不能保證請選用雙缸驅動之氣動球閥。本閥用于含煤氣塵灰、煤粉、水泥等干燥物料的輸送排放系統中做控制之用。適用于遠距離控制的場合。本閥安裝時介質流向符合閥體箭頭的指向。
主要結構尺寸:

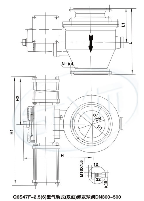
結構特點及用途:
此閥結構特點及用途和前相同,只是驅動裝置采用兩個φ250氣缸,適用于氣源壓力不穩定,不能保證>0.4MPa的場合使用,此閥氣源壓力要求>0.25MPa.
主要結構尺寸: