

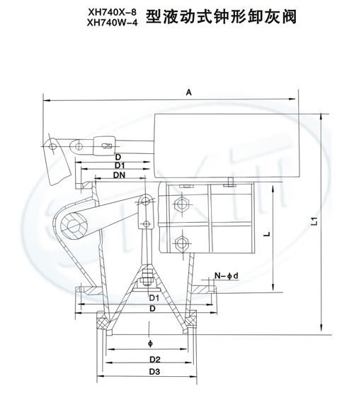
結構特點及用途:
XH740X-8型、XH740W-4型液動式鐘形卸灰閥用液動裝置通過機械執行機構驅動閥塞完成啟閉動作。適用于自動控制和遠距離操作的場合。XH740X-8型密封部位為橡膠軟密封,本閥應用于冶煉高爐噴煤系統煤粉輸送控制。XH740W-4型密封部位為閥體本體材料密封,本閥應用于除塵系統塵灰輸送控制。以上兩種型號鐘型卸灰閥也適用于其他工業爐窖類似的系統使用。
主要結構尺寸:

結構特點及用途:
XH640X-8型、XH640W-4型氣動式鐘形卸灰閥用氣動裝置通過機械執行機構驅動閥塞完成啟閉動作。適用于自動控制和遠距離操作的場合。XH640X-8型密封部位為橡膠軟密封,本閥應用于冶煉高爐噴煤系統煤粉輸送控制。XH640W-4型密封部位為閥體本體材料密封,本閥應用于除塵系統塵灰輸送控制。以上兩種型號鐘型卸灰閥也適用于其他工業爐窖類似的系統使用。
主要結構尺寸: